主控板STM32F302R8+驱动板X-NUCLEO-IHM07M1+直流减速电机37GB3530,实现电机的正反转驱动。
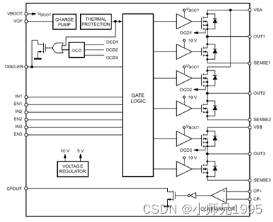
X-NUCLEO-IHM07M1驱动板有一颗MOS管集成芯片L6230,该驱动芯片有3个桥臂可驱动PMSM及BLCD电机。使用该芯片驱动直流电机也绰绰有余,只应用其中两路桥臂即可。


采用桥臂1和桥臂2构成H桥电路驱动直流电机,EN1和EN2为桥臂使能控制输入,IN1和IN2是PWM控制信号输入,OUT1和OUT2为输出,接直流电机,驱动电路类似于下述H桥电路。

驱动直流电机转动,并实现直流电机的换向控制;按下一次按键电机正转,LED亮;再按一次按键电机停止,LED灭;再按一次按键电机反转,LED亮;再按一次按键电机停止,LED灭,以此循环。用到的控制信号与控制板STM32F302R8对应的引脚关系如下表所示。

控制板:STM32F302R8
驱动板:X-NUCLEO-IHM07M1
直流电机:37GB3530,额定功率10W,额定电压12V,额定电流0.3A
1、RCC设置为外接时钟,72MHz
2、PA8、PA9、PC10、PC11设置为推挽输出,无上下拉电阻,高速,初始化状态值为0;PB13设置为推挽输出,下拉电阻,高速,初始化状态值为0;PC13设置为输入,无上下拉电阻。
3、IDE设置为MDK-RAM,在Keil环境中编写应用层程序



在Keil环境中编写应用层程序,实现功能需求。





主控板STM32F302R8+驱动板X-NUCLEO-IHM07M1实现了直流电机的驱动及方向控制,为后续章节的分析奠定基础。