在电子电路中,电源、放大、振荡和调制电路被称为模拟电子电路,因为它们加工和处理的是连续变化的模拟信号。
1 反馈
反馈是指把输出的变化通过某种方式送到输入端,作为输入的一部分。如果送回部分和原来的输入部分是相减的,就是负反馈。
2 耦合
一个放大器通常有好几级,级与级之间的联系就称为耦合。放大器的级间耦合方式有三种:
①RC 耦合(见图a): 优点是简单、成本低。但性能不是最佳。
② 变压器耦合(见图b):优点是阻抗匹配好、输出功率和效率高,但变压器制作比较麻烦。
③ 直接耦合(见图c): 优点是频带宽,可作直流放大器使用,但前后级工作有牵制,稳定性差,设计制作较麻烦。

3 功率放大器
能把输入信号放大并向负载提供足够大的功率的放大器叫功率放大器。例如收音机的末级放大器就是功率放大器。
3.1 甲类单管功率放大器

负载电阻是低阻抗的扬声器,用变压器可以起阻抗变换作用,使负载得到较大的功率。
这个电路不管有没有输入信号,晶体管始终处于导通状态,静态电流比较大,困此集电极损耗较大,效率不高,大约只有 35 %。这种工作状态被称为甲类工作状态。这种电路一般用在功率不太大的场合,它的输入方式可以是变压器耦合也可以是 RC 耦合。
3.2 乙类推挽功率放大器
下图是常用的乙类推挽功率放大电路。

它由两个特性相同的晶体管组成对称电路,在没有输入信号时,每个管子都处于截止状态,静态电流几乎是零,只有在有信号输入时管子才导通,这种状态称为乙类工作状态。当输入信号是正弦波时,正半周时 VT1 导通 VT2 截止,负半周时 VT2 导通 VT1 截止。两个管子交替出现的电流在输出变压器中合成,使负载上得到纯正的正弦波。这种两管交替工作的形式叫做推挽电路。
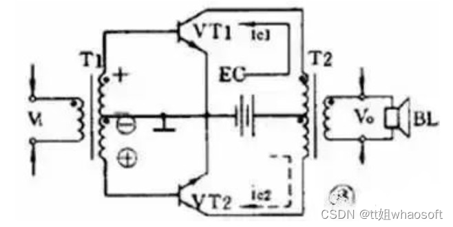
3.3 OTL 功率放大器
目前广泛应用的无变压器乙类推挽放大器,简称 OTL 电路,是一种性能很好的功率放大器。为了易于说明,先介绍一个有输入变压器没有输出变压器的 OTL 电路,如下图所示。

4 直流放大器
能够放大直流信号或变化很缓慢的信号的电路称为直流放大电路或直流放大器。测量和控制方面常用到这种放大器。
4.1 双管直耦放大器
直流放大器不能用 RC 耦合或变压器耦合,只能用直接耦合方式。下图是一个两级直耦放大器。直耦方式会带来前后级工作点的相互牵制,电路中在 VT2 的发射极加电阻 R E 以提高后级发射极电位来解决前后级的牵制。
直流放大器的另一个更重要的问题是零点漂移。所谓零点漂移是指放大器在没有输入信号时,由于工作点不稳定引起静 态电位缓慢地变化,这种变化被逐级放大,使输出端产生虚假信号。放大器级数越多,零点漂移越严重。所以这种双管直耦放大器只能用于要求不高的场合。

4.2 差分放大器
解决零点漂移的办法是采用差分放大器,下图是应用较广的射极耦合差分放大器。它使用双电源,其中 VT1 和 VT2 的特性相同,两组电阻数值也相同, R E 有负反馈作用。实际上这是一个桥形电路,两个 R C 和两个管子是四个桥臂,输出电压 V 0 从电桥的对角线上取出。没有输入信号时,因为 RC1=RC2 和两管特性相同,所以电桥是平衡的,输出是零。由于是接成桥形,零点漂移也很小。差分放大器有良好的稳定性,因此得到广泛的应用。

5 集成运算放大器
集成运算放大器是一种把多级直流放大器做在一个集成片上,只要在外部接少量元件就能完成各种功能的器件。因为它早期是用在模拟计算机中做加法器、乘法器用的,所以叫做运算放大器。
6 振荡器
不需要外加信号就能自动地把直流电能转换成具有一定振幅和一定频率的交流信号的电路就称为振荡电路或振荡器。这种现象也叫做自激振荡。或者说,能够产生交流信号的电路就叫做振荡电路。
一个振荡器必须包括三部分:放大器、正反馈电路和选频网络。放大器能对振荡器输入端所加的输入信号予以放大使输出信号保持恒定的数值。正反馈电路保证向振荡器输入端提供的反馈信号是相位相同的,只有这样才能使振荡维持下去。选频网络则只允许某个特定频率f0能通过,使振荡器产生单一频率的输出。
振荡器能不能振荡起来并维持稳定的输出是由以下两个条件决定的;一个是反馈电压Uf和输入电压 Ui要相等,这是振幅平衡条件。二是 Uf 和 Ui 必须相位相同,这是相位平衡条件,也就是说必须保证是正反馈。一般情况下,振幅平衡条件往往容易做到,所以在判断一个振荡电路能否振荡,主要是看它的相位平衡条件是否成立。
振荡器按振荡频率的高低可分成超低频( 20赫以下)、低频( 20赫~ 200千赫)、高频(200千赫~ 30兆赫)和超高频( 10兆赫~ 350兆赫)等几种。按振荡波形可分成正弦波振荡和非正弦波振荡两类。
正弦波振荡器按照选频网络所用的元件可以分成 LC 振荡器、 RC振荡器和石英晶体振荡器三种。石英晶体振荡器有很高的频率稳定度,只在要求很高的场合使用。在一般家用电器中,大量使用着各种 LC振荡器和 RC 振荡器。
6.1 LC振荡器
LC 振荡器的选频网络是LC 谐振电路。它们的振荡频率都比较高,常见电路有 3 种。
1) 变压器反馈 LC 振荡电路

图(a)是变压器反馈 LC 振荡电路。晶体管 VT 是共发射极放大器。变压器 T 的初级是起选频作用的 LC 谐振电路,变压器 T 的次级向放大器输入提供正反馈信号。接通电源时, LC 回路中出现微弱的瞬变电流,但是只有频率和回路谐振频率 f 0 相同的电流才能在回路两端产生较高的电压,这个电压通过变压器初次级 L1 、 L2 的耦合又送回到晶体管 V 的基极。从图(b)看到,只要接法没有错误,这个反馈信号电压是和输入信号电压相位相同的,也就是说,它是正反馈。因此电路的振荡迅速加强并最后稳定下来。
变压器反馈 LC 振荡电路的特点是:频率范围宽、容易起振,但频率稳定度不高。它的振荡频率是:f 0 =1/2π LC 。常用于产生几十千赫到几十兆赫的正弦波信号。
2) 电感三点式振荡电路

图(a)是另一种常用的电感三点式振荡电路。图中电感 L1 、 L2 和电容 C 组成起选频作用的谐振电路。从 L2 上取出反馈电压加到晶体管 VT 的基极。从图(b)看到,晶体管的输入电压和反馈电压是同相的,满足相位平衡条件的,因此电路能起振。由于晶体管的 3 个极是分别接在电感的 3 个点上的,因此被称为电感三点式振荡电路。
电感三点式振荡电路的特点是:频率范围宽、容易起振,但输出含有较多高次调波,波形较差。它的振荡频率是:f 0 =1/2π LC ,其中 L=L1 + L2 + 2M 。常用于产生几十兆赫以下的正弦波信号。
3) 电容三点式振荡电路
还有一种常用的振荡电路是电容三点式振荡电路,见图(a)。图中电感 L 和电容 C1 、 C2 组成起选频作用的谐振电路,从电容 C2 上取出反馈电压加到晶体管 VT 的基极。从图(b)看到,晶体管的输入电压和反馈电压同相,满足相位平衡条件,因此电路能起振。由于电路中晶体管的 3 个极分别接在电容 C1 、 C2 的 3 个点上,因此被称为电容三点式振荡电路。
电容三点式振荡电路的特点是:频率稳定度较高,输出波形好,频率可以高达 100 兆赫以上,但频率调节范围较小,因此适合于作固定频率的振荡器。它的振荡频率是:f 0 =1/2π LC ,其中 C= C 1 +C 2 。
上面 3 种振荡电路中的放大器都是用的共发射极电路。共发射极接法的振荡器增益较高,容易起振。也可以把振荡电路中的放大器接成共基极电路形式。共基极接法的振荡器振荡频率比较高,而且频率稳定性好。
6.2 RC 振荡器
RC 振荡器的选频网络是 RC 电路,它们的振荡频率比较低。常用的电路有两种。
1) RC 相移振荡电路

RC 相移振荡电路的特点是:电路简单、经济,但稳定性不高,而且调节不方便。一般都用作固定频率振荡器和要求不太高的场合。它的振荡频率是:当 3 节 RC 网络的参数相同时:f 0 = 1 2π 6RC 。频率一般为几十千赫。
2) RC 桥式振荡电路

RC 桥式振荡电路的性能比 RC 相移振荡电路好。它的稳定性高、非线性失真小,频率调节方便。它的振荡频率是:当 R1=R2=R 、 C1=C2=C 时 f 0 = 1 2πRC 。它的频率范围从 1 赫~ 1 兆赫。
7 调幅和检波电路
广播和无线电通信是利用调制技术把低频声音信号加到高频信号上发射出去的。在接收机中还原的过程叫解调。其中低频信号叫做调制信号,高频信号则叫载波。常见的连续波调制方法有调幅和调频两种,对应的解调方法就叫检波和鉴频。
7.1 调幅电路
调幅是使载波信号的幅度随着调制信号的幅度变化,载波的频率和相位不变。能够完成调幅功能的电路就叫调幅电路或调幅器。
调幅是一个非线性频率变换过程,所以它的关键是必须使用二极管、三极管等非线性器件。根据调制过程在哪个回路里进行可以把三极管调幅电路分成集电极调幅、基极调幅和发射极调幅 3 种。下面举集电极调幅电路为例。

上图是集电极调幅电路,由高频载波振荡器产生的等幅载波经 T1 加到晶体管基极。低频调制信号则通过 T3 耦合到集电极中。C1 、 C2 、 C3 是高频旁路电容, R1 、 R2 是偏置电阻。集电极的 LC 并联回路谐振在载波频率上。如果把三极管的静态工作点选在特性曲线的弯曲部分,三极管就是一个非线性器件。因为晶体管的集电极电流是随着调制电压变化的, 所以集电极中的 2 个信号就因非线性作用而实现了调幅。由于 LC 谐振回路是调谐在载波的基频上,因此在 T2 的次级就可得到调幅波输出。
7.2 检波电路
检波电路或检波器的作用是从调幅波中取出低频信号。它的工作过程正好和调幅相反。检波过程也是一个频率变换过程,也要使用非线性元器件。常用的有二极管和三极管。另外为了取出低频有用信号,还必须使用滤波器滤除高频分量,所以检波电路通常包含非线性元器件和滤波器两部分。下面举二极管检波器为例说明它的工作原理。

上图是一个二极管检波电路。VD 是检波元件, C 和 R 是低通滤波器。当输入的已调波信号较大时,二极管 VD 是断续工作的。正半周时,二极管导通,对 C 充电;负半周和输入电压较小时,二极管截止, C 对 R 放电。在 R 两端得到的电压包含的频率成分很多,经过电容 C 滤除了高频部分,再经过隔直流电容 C0 的隔直流作用,在输出端就可得到还原的低频信号。
8 调频和鉴频电路
调频是使载波频率随调制信号的幅度变化,而振幅则保持不变。鉴频则是从调频波中解调出原来的低频信号,它的过程和调频正好相反。
8.1 调频电路
能够完成调频功能的电路就叫调频器或调频电路。常用的调频方法是直接调频法,也就是用调制信号直接改变载波振荡器频率的方法。下图画出了它的大意,图中用一个可变电抗元件并联在谐振回路上。用低频调制信号控制可变电抗元件参数的变化,使载波振荡器的频率发生变化。

8.2 鉴频电路
能够完成鉴频功能的电路叫鉴频器或鉴频电路,有时也叫频率检波器。鉴频的方法通常分二步,第一步先将等幅的调频波变成幅度随频率变化的调频 — 调幅波,第二步再用一般的检波器检出幅度变化,还原成低频信号。常用的鉴频器有相位鉴频器、比例鉴频器等。
whaosoft aiot http://143ai.com
新建工程文件夹
建立名字为LED的文件夹存放工程文件,其中再建立两个文件夹,Listing文件夹用于存放编译器编译时候产生的C语言、汇编、链接文件,Output文件夹用于存放编译产生的调试信息、hex文件、预览信息、封装库等。
文件夹建好之后,在LED文件夹下存放startup_stm32f10x_hd.s、stm32f10x.h、main.c文件。前两个文件可以在STM32F1xx的固件库中找到,第三个文件是空文件。
在Keil5中新建工程的步骤
如下图所示,Project-New,新建工程,工程名为Led,点击保存。
点击保存之后,弹出如下窗口,选择芯片型号。根据你开发板使用的芯片具体的型号来选择。如果这里没有出现你想要的CPU型号,或者一个型号都没有,那么肯定是你的KEIL5没有添加Device库,关于如何添加请往下看。

安装Device库
下载KEIL MDK5以后是没有安装device的,如果此时创建工程会找不到目标芯片,如下图所示:

此时我们就要安装自己需要的芯片系列,比如STM32F1系列。首先选择Project-Manage-Pack Installer,此时出现下面如下界面:

选择菜单栏中的Packs,点击Check for Updates,此时就会出现最新的支持的CPU系列,更新完毕之后会出现如下界面:

我们选择需要安装的芯片厂商,这里因为要安装STM32F1系列,所以选择ST公司,然后在右侧出现了STM系列的芯片,如上图右侧箭头所示,此时点击需要安装的STM32系列,这里我需要安装的是STM32F1系列,点击安装,此时软件会下载对应的芯片包,如下图所示:

这个下载过程比较慢,耐心等待,安装完毕之后,关闭KEIL5,重新打开KEIL5,此时新建工程,就出现了需要的芯片。
用寄存器控制 STM32 时我们不需要在线添加库文件,如关掉下图窗口。
向工程中添加文件
在新建的工程中添加文件,文件从本地建好的工程文件夹下获取,双击组文件夹就会出现添加文件的路径,然后选择文件即可,如下图所示。

Keil5软件配置
配置魔术棒
如下图所示,Target中选中微库“Use MicroLib”,为了编写串口驱动时可以使用printf函数。

Output 选项卡中把输出文件夹定位到我们工程目录下的 output 文件夹,如果想在编译的过程中生成 hex 文件,那么那 Create HEX File 选项勾上。

点击Listing选项卡中的Select Folder for Listings,把输出文件夹定位到先前创建的Listings文件夹。

配置下载器
在仿真器连接好电脑和开发板且开发板供电正常的情况下,打开KEIL5软件,在魔术棒选项卡里面选择所用仿真器的型号,如下图所示。

在Utilities中勾选Use Debug Driver,如下图所示。

点击Debug中的Settings,选择相应仿真器,勾选SW,Clock选为5MHz,Reset选择Autodetect。

在Flash Download中做如下图所示的配置,勾选Reset and run,程序下载后自动运行,不用先手动复位。
Keil5下载程序
如上,在Keil5中新建了工程,并对软件进行了正确配置之后,就可以点击下图1处的Rebuild按钮编译,再点击2处的LOAD下载到开发板上运行。

近期联发科(MediaTek)发布了天玑 9200 旗舰 5G 移动芯片,天玑 9200 不光支持 5G 网络,同时还支持即将到来的 Wi-Fi 7 无线连接。(严格来说天玑 9200 支持的是 Wi-Fi 7 Ready)
Wi-Fi 协议大改名
目前市面上主流的 WiFi 协议有这样几个:802.11n、802.11ac (wave1、wave2)、802.11ax 。这样的命名方式显然对于外行来说难以理解。
不过到了 2018 年,WiFi 联盟正式将 802.11ax 标准定为第六代 WiFi 技术,与此同时也开启了 WiFi 协议命名简化的时代。也就是说此前对于外行较为生涩的 WiFi 协议名称将变成更易理解的简化版本。
具体来说:
802.11n 变成了 Wi-Fi 4
802.11ac 变成了 Wi-Fi 5
802.11ax 变成了 Wi-Fi 6

这样的命名方式对于外行来说也很容易看出来,Wi-Fi 6 比 Wi-Fi 5 协议更新而且更强。
Wi-Fi 4
2009 年发布的 802.11n(Wi-Fi 4)是一个相较前代(2003 年的 802.11g)有着较大改进的 Wi-Fi 协议版本。Wi-Fi 4 是第一个同时工作在 2.4GHz 和 5GHz 频段的 Wi-Fi 技术,并且它的传输速度达到 600Mbit / s。
在我们进行无线路由器配置的时候会看到 2.4G 信号和 5G 信号的设置选项,Wi-Fi 中的 5G 一般是指 5GHz 频段,而不是很多“5G 手机”中的 5G(第五代移动通信技术)。
2.4G 信号和 5G 信号之间的区别简单总结就是:
5G 信号在很多方面都有着较多的优势,比如干扰源相对较少、传输速率快。
5G 信号“穿墙”能力真的不行,“穿墙”还是得靠 2.4G 信号。
2.4G 的终端设备更加便宜,所以对于传输速度要求不高的设备,用 2.4G 传输是一个更加经济实用的选项。
在传输速度方面,Wi-Fi 4 的传输速度达到 600Mbit / s,也就是相当于 600 Mbps,或者更加通俗来说就是相当于 600 兆宽带的下载速度。但从实际体验来说,Wi-Fi 4 其实很难达到 600 兆宽带的速度。一方面是因为无线传输有损耗,另一方面是使用 Wi-Fi 4 协议的无线路由器很少会给到“满配”,所以达不到最大的速度。
Wi-Fi 5
802.11ac(Wi-Fi 5)发布于 2013 年。引入了更宽的射频带宽(提升至 160MHz)和更高阶的调制技术(256-QAM),传输速度高达 1.73Gbps,进一步提升 Wi-Fi 网络吞吐量。另外,在 2015 年发布了 802.11ac wave2 标准,将波束成形和 MU-MIMO 等功能推向主流,提升了系统接入容量。不过需要注意的是 802.11ac 仅支持 5GHz 频段的终端,所以这个版本的 Wi-Fi 协议对于 2.4GHz 频段的设备没有多大意义。
简单来说这个版本的 Wi-Fi 协议就是进一步提升了 Wi-Fi 传输速率,而且优化了多用户的下载体验(仅优化了下行,没有优化上行)。
Wi-Fi 6
Wi-Fi 6(802.11 ax)相比 Wi-Fi 5 ,实现网络带宽提升 4 倍,并发用户数提升 4 倍。并且它可以在 2.4GHz 或 5GHz 频段运行。
关于网络速率方面,对于一般家庭用户来说影响并不是很大。目前大多数城市的家庭宽带上限是 1000 兆,对于千兆宽带的速度来说,Wi-Fi 5 也足以驾驭。
关于并发用户数方面,对于家庭用户有一些作用,但作用不大。主要是在于智能家居控制器的使用。随着智能家居时代的到来,家庭中连接网络的终端数量陡然上升。在过去可能家里就只有几个手机、电脑连接网络,但现在家里的灯光控制器就要装十几甚至二十几个。不过智能家居也不是必须要 Wi-Fi 6,现在很多智能家居厂商推出了“总控制器”这样的设备。众多智能家居的控制器先连接到“总控制器”,然后由“总控制器”统一接入网络。这样对于家中的无线路由器来说,直接接入网络的是一个总控制器,而不是十几二十几个独立的控制器。这样一来 Wi-Fi 5 也可以胜任。
但是对于企业用户来说,传输速率提升和并发用户数提升是有实际意义的。很多企业对于万兆网,甚至更高规格的网络是有实际需求的。并且企业 Wi-Fi 接入的设备量是远高于家庭用户的。这些需求 Wi-Fi 5 是远远解决不了的。
除了 Wi-Fi 6 协议以外,其实还有一个 Wi-Fi6E 协议。Wi-Fi6E 实际上就是在 Wi-Fi 6 的基础上增加了 6GHz 频段,新频段干扰更少,速度更快。
Wi-Fi 7
802.11be(Wi-Fi 7)的开发工作仍在进行中,不过现在已经有了一些“先行版”的设备开始上市。

Wi-Fi 7 协议的目标是将 WLAN 网络的吞吐率提升到 30Gbps,并且提供低时延的接入保障。为了满足这个目标,整个协议在 PHY 层和 MAC 层都做了相应的改变。
这种传输速率对于家庭用户来说可能只有 VR 游戏或者未来的一些元宇宙应用能用得上了。
结 语
01 对于目前大多数家庭用户来说,如果还使用着 Wi-Fi 4 的设备,可以考虑升级到 Wi-Fi 6。如果是已经有了 Wi-Fi 5 的设备,则可以暂时不考虑升级。
02 如果目前终端设备实际使用时普遍不超过百兆,那么继续用 Wi-Fi 4 也没有什么问题。
03 目前 Wi-Fi 7 的设备普遍比较贵,而且很多其实是“阉割版”,比如在 MIMO 方面。所以想购买的小伙伴可以先等等。
外设接口(SPI)是微控制器和外围 IC(如传感器、ADC、DAC、 移位寄存器、SRAM等)之间使用最广泛的接口之一。
SPI是一种同步、全双工、主从式接口。来自主机或从机的数据在时钟上升沿或下降沿同步。主机和从机可以同时传输数据。SPI接口可以是3线式或4线式。本文重点介绍常用的4线SPI接口。
接 口
4线SPI器件有四个信号:
时钟(SPICLK,SCLK)
片选(CS)主机输出
从机输入(MOSI)主机输入
从机输出(MISO)
产生时钟信号的器件称为主机。主机和从机之间传输的数据与主机产生的时钟同步。同I2C接口相比,SPI器件支持更高的时钟频率。用户应查阅产品数据手册以了解SPI接口的时钟频率规格。
SPI接口只能有一个主机,但可以有一个或多个从机。图1显示了主机和从机之间的SPI连接。

图1. 含主机和从机的SPI配置
来自主机的片选信号用于选择从机。这通常是一个低电平有效信号,拉高时从机与SPI总线断开连接。当使用多个从机时,主机需要为每个从机提供单独的片选信号。本文中的片选信号始终是低电平有效信号。
MOSI和MISO是数据线。MOSI将数据从主机发送到从机,MISO将数据从从机发送到主机。
数据传输
要开始SPI通信,主机必须发送时钟信号,并通过使能CS信号选择从机。片选通常是低电平有效信号。因此,主机必须在该信号上发送逻辑0以选择从机。
SPI是全双工接口,主机和从机可以分别通过MOSI和MISO线路同时发送数据。在SPI通信期间,数据的发送(串行移出到MOSI/SDO总线上)和接收(采样或读入总线(MISO/SDI)上的数据)同时进行。串行时钟沿同步数据的移位和采样。
SPI接口允许用户灵活选择时钟的上升沿或下降沿来采样和/或移位数据。欲确定使用SPI接口传输的数据位数,请参阅器件数据手册。
时钟极性和时钟相位
在SPI中,主机可以选择时钟极性和时钟相位。在空闲状态期间,CPOL位设置时钟信号的极性。空闲状态是指传输开始时CS为高电平且在向低电平转变的期间,以及传输结束时CS为低电平且在向高电平转变的期间。CPHA位选择时钟相位。
根据CPHA位的状态,使用时钟上升沿或下降沿来采样和/或移位数据。主机必须根据从机的要求选择时钟极性和时钟相位。根据CPOL和CPHA位的选择,有四种SPI模式可用。表1显示了这4种SPI模式。

表1.通过CPOL和CPHA选择SPI模式
图2至图5显示了四种SPI模式下的通信示例。在这些示例中,数据显示在MOSI和MISO线上。传输的开始和结束用绿色虚线表示,采样边沿用橙色虚线表示,移位边沿用蓝色虚线表示。请注意,这些图形仅供参考。要成功进行SPI通信,用户须参阅产品数据手册并确保满足器件的时序规格。

图2. SPI模式0,CPOL = 0,CPHA = 0:CLK空闲状态 = 低电平,数据在上升沿采样,并在下降沿移出
图3给出了SPI模式1的时序图。在此模式下,时钟极性为0,表示时钟信号的空闲状态为低电平。此模式下的时钟相位为1,表示数据在下降沿采样(由橙色虚线显示),并且数据在时钟信号的上升沿移出(由蓝色虚线显示)。
图3. SPI模式1,CPOL = 0,CPHA = 1:CLK空闲状态 = 低电平,数据在下降沿采样,并在上升沿移出
图4. SPI模式2,CPOL = 1,CPHA = 1:CLK空闲状态 = 高电平,数据在下降沿采样,并在上升沿移出
图4给出了SPI模式2的时序图。在此模式下,时钟极性为1,表示时钟信号的空闲状态为高电平。此模式下的时钟相位为1,表示数据在下降沿采样(由橙色虚线显示),并且数据在时钟信号的上升沿移出(由蓝色虚线显示)。
图5. SPI模式3,CPOL = 1,CPHA = 0:CLK空闲状态 = 高电平,数据在上升沿采样,并在下降沿移出
图5给出了SPI模式3的时序图。在此模式下,时钟极性为1,表示时钟信号的空闲状态为高电平。此模式下的时钟相位为0,表示数据在上升沿采样(由橙色虚线显示),并且数据在时钟信号的下降沿移出(由蓝色虚线显示)。
多从机配置
多个从机可与单个SPI主机一起使用。从机可以采用常规模式连接,或采用菊花链模式连接。
常规SPI模式
在常规模式下,主机需要为每个从机提供单独的片选信号。一旦主机使能(拉低)片选信号,MOSI/MISO线上的时钟和数据便可用于所选的从机。如果使能多个片选信号,则MISO线上的数据会被破坏,因为主机无法识别哪个从机正在传输数据。
从图6可以看出,随着从机数量的增加,来自主机的片选线的数量也增加。这会快速增加主机需要提供的输入和输出数量,并限制可以使用的从机数量。可以使用其他技术来增加常规模式下的从机数量,例如使用多路复用器产生片选信号。

图6. 多从机SPI配置
菊花链模式
在菊花链模式下,所有从机的片选信号连接在一起,数据从一个从机传播到下一个从机。在此配置中,所有从机同时接收同一SPI时钟。来自主机的数据直接送到第一个从机,该从机将数据提供给下一个从机,依此类推。
使用该方法时,由于数据是从一个从机传播到下一个从机,所以传输数据所需的时钟周期数与菊花链中的从机位置成比例。例如在图7所示的8位系统中,为使第3个从机能够获得数据,需要24个时钟脉冲,而常规SPI模式下只需8个时钟脉冲。
图7. 多从机SPI菊花链配置
图8显示了时钟周期和通过菊花链的数据传播。并非所有SPI器件都支持菊花链模式。请参阅产品数据手册以确认菊花链是否可用。

图8. 菊花链配置:数据传播
ADI公司最新一代支持SPI的开关可在不影响精密开关性能的情况下显著节省空间。本文的这一部分将讨论一个案例研究,说明支持SPI的开关或多路复用器如何能够大大简化系统级设计并减少所需的GPIO数量。
ADG1412是一款四通道、单刀单掷(SPST)开关,需要四个GPIO连接到每个开关的控制输入。图9显示了微控制器和一个ADG1412之间的连接。 
图9. 微控制器GPIO用作开关的控制信号
随着电路板上开关数量的增加,所需GPIO的数量也会显著增加。例如,当设计一个测试仪器系统时,会使用大量开关来增加系统中的通道数。在4×4交叉点矩阵配置中,使用四个ADG1412。此系统需要16个GPIO,限制了标准微控制器中的可用GPIO。图10显示了使用微控制器的16个GPIO连接四个ADG1412。
图10. 在多从机配置中,所需GPIO的数量大幅增加
如何减少GPIO数量?
一种方法是使用串行转并行转换器,如图11所示。该器件输出的并行信号可连接到开关控制输入,器件可通过串行接口SPI配置。此方法的缺点是外加器件会导致物料清单增加。 
图11. 使用串行转并行转换器的多从机开关
另一种方法是使用SPI控制的开关。此方法的优点是可减少所需GPIO的数量,并且还能消除外加串行转并行转换器的开销。如图12所示,不需要16个微控制器GPIO,只需要7个微控制器GPIO就可以向4个ADGS1412提供SPI信号。开关可采用菊花链配置,以进一步优化GPIO数量。在菊花链配置中,无论系统使用多少开关,都只使用主机(微控制器)的四个GPIO。

图12. 支持SPI的开关节省微控制器GPIO
图13用于说明目的。ADGS1412数据手册建议在SDO引脚上使用一个上拉电阻。为简单起见,此示例使用了四个开关。随着系统中开关数量的增加,电路板简单和节省空间的优点很重要。

图13. 菊花链配置的SPI开关可进一步优化GPIO
在6层电路板上放置8个四通道SPST开关,采用4×8交叉点配置时,ADI 公司支持 SPI 的开关可节省20%的总电路板空间。
利用普通红外光学材料实现的大视场光学被动无热化系统应用于当前新型高分辨率、大面阵红外探测器时存在透镜数量多,不易实现轻量化、小型化的技术问题。为此,引入了低折射率温度系数的硫系玻璃,并设计了一种工作波段为8~12um、视场为40°X32.5°、F数为1.0且适配1280X1024探测器的光学被动无热化成像光学系统。设计结果表明,在一55℃~70℃的工作温度范围内,探测器特征频率421p/mm处的光学传递函数(ModulationTransferFunction,MTF)值均大于0.35,系统成像性能良好,能够满足实际工程应用需求。
近年来,随着红外探测器制造工艺技术的进步,非制冷红外探测器在提高灵敏度及帧频的同时扩大了阵列规模、减小了像元间距,从而实现了高分辨率。这就提升了非制冷红外系统的目标探测与识别能力,使得该系统在军民领域的广泛应用成为可能。
在国外,美国Raytheon公司开发了阵列规模为2048X1536、像元间距为17μm的大面阵非制冷红外探测器;英国BAE公司开发了阵列规模为1920X1200、像元间距为12μm的大面阵非制冷红外探测器。在国内,武汉高德红外股份有限公司实现了阵列规模为1280X1024、像元间距为12μm的非制冷长波红外探测器的量产;烟台艾睿光电科技有限公司也开发了阵列规模为1280X1024、像元间距为12μm 的氧化钒非制冷红外焦平面探测器;北方广微科技有限公司研制的像元间距为17μm的2048X1536全画幅非制冷红外探测器可适用于各个军民高端应用领域。
在工程应用中,光学镜头的靶面应大于探测器的靶面,否则可见光系统和红外系统就会分别出现图像四角发暗和图像四角发白的现象。当前新型1280X1024红外探测器的靶面大,导致光学系统设计难度大。因此,研究能够适配这种高分辨率、大面阵红外探测器的无热化红外光学系统具有重要意义。
由于温度变化会造成红外光学材料的折射率发生明显改变,当红外光学系统的工作环境温度发生变化时,成像光学系统的像面会产生移动,从而造成系统成像性能下降。因此,对于工作环境温度变化较大的红外光学系统来说,需要进行无热化设计,以消除或减小温度效应对成像质量的影响,使得光学系统在一个较大的温度范围内保持良好的成像性能。
本文针对像元间距为12μm的1280X1024非制冷红外探测器,设计了一种工作波段为8~12μm、视场为40°X32.5°、F数为1.0的大视场红外光学系统。在设计中引人了折射率温度系数较小的硫系玻璃。结果表明,在进行大视场、大面阵无热化红外光学系统设计时,硫系玻璃可以在减少透镜数量的同时减少透镜表面非球面的应用数量,从而实现小型化、轻量化设计。该系统在不同温度条件下探测器所对应的特征频率42lp/mm处的MTF值均大于0.35,成像性能良好,结构简单,装调效率高,可广泛应用于工作温度范围变化较大的安防监控、夜视导航、小型机载光电系统等军民领域。
1 设计思路
不同红外光学材料具有不同的热特性。光学被动无热化是通过光学系统中不同热特性材料之间的组合来消除温度对光学系统成像的影响,从而实现无热化设计。此类结构具有结构简单、可靠性强、装配效率高的特点,适用于批量化生产。
硫系玻璃是含有硫系元素 S、Se、Te中的一种或几种,同时还含有Ge、 Si、As、Sb等元素中的一种或几种的非晶态材料,其红外透过范围为1~14μm,在近红外至远红外波长区域内均具有良好的光学透过性能。其次,硫系玻璃的转变温度较低、化学稳定性良好,可以进行精密模压加工。此外,由于折射率温度系数低、色散系数小,硫系玻璃可作为消色差及消热差无热化设计中的红外材料使用。
图1. 弯月形负透镜前组光线发散示意图

本文开展了硫系玻璃在宽温红外光学系统无热化设计中的应用研究。针对目前阵列规模为1280X1024、像元间距为12μm 的新型高分辨率非制冷长波红外探测器,设计了一种温度范围为﹣55℃~70℃、视场为40°X32.5°的非制冷长波红外成像光学系统。该系统结构简单,在不同温度条件下成像性能良好,将在工作温度范围变化较大的安防监控、夜视导航、小型机载光电系统等军民领域具有广泛的应用前景。下一步的研究重点是利用硫系玻璃实现连续变焦光学系统的小型化、轻量化设计。